QQ在线咨询
咨询热线
021-5766 0583
手机号
180-1627-3695
阿里旺旺
您好!欢迎访问美镒电子(上海)有限公司,我们竭诚为您服务!
加入收藏
|
在线客服
|
在线留言
|
联系我们
|
站点地图
电子元器件供应和技术服务商
BOM配单 国产替代 全新原装 品牌代理 上海发货
服务咨询热线:
13122500018
网站首页
关于我们
公司简介
公司相册
战略合作
优势品牌
应能微
产品展示
行业应用
电动工具
运动及出行
能源汽车
工业控制
消费电子
通信设备
新闻中心
公司新闻
技术百科
常见问题
产品新闻
联系我们
人才招聘
在线联系
技术资料
行业资料
技术百科
热搜型号:
纳芯微NSi8242N0-DSPNR
应能微CM175N10GB
ME6228A33M3G
当前位置:
首页
>>
新闻中心
>>
技术百科
JW5716功能替代TPS6274X ETA3425 SY8851
分类:技术百科
发布人:美镒电子
发表时间:2022-10-27
浏览量:73062
网址:
https://www.meiyiic.com/xingyedongtai/1634.html
产品描述
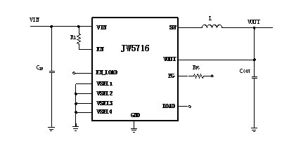
JW®5716 为由一个可充电锂离子电池、锂原电池化学物质 Li-MnO2或两到三节碱性电池供电的产品提供超低功耗解决方案。 降压转换器的输出电压通过三个 VSEL 引脚设置在 0.7V 和 3.3V 之间。
产品特点
2.3V 至 5.5V 工作输入范围
输出电流300mA,峰值400mA
典型的 360nA 静态电流
负载电流>15uA 时效率高达 90%
低输出纹波电压
8 个可选输出电压 0.7V 至 3.3V
输出短路保护
输出电压放电
自动过渡到 占空比操作
热保护
上一篇:
JW5711 功能替代 RT5707 TLV627432 TPS62743
下一篇:
JW5710 功能替代TPS62745
推荐资讯
2023-04-04
Si8610BB-B-IS替代料?纳芯微NSi8210N0
2023-04-04
纳芯微推出隔离CAN收发器,提升工业系统的集成度和可靠性
2023-04-04
应对国产化需求的5G电源用隔离IC一站式解决方案
2023-04-04
JW87802 可替代TPS7A83A
2023-04-04
JWH5215A 可替代TPS54560B JW54360B
2023-04-04
JW7807 功能替代LP5907 NCP114
2023-04-04
NST1001 D-NTC数字脉冲输出型温度传感器
2023-04-04
东软载波MCU ES8P5066系列芯片介绍
2023-04-04
美浦森是哪国的品牌?
2023-04-04
数明SLM27211 兼容可替代MAX15013A
2023-04-04
数明SLM27211 兼容可替代MIC4103
2023-04-04
数明SLM27211 兼容可替代MIC4104
2023-04-04
数明SLM27211 兼容可替代瑞萨ISL2111
2023-04-04
数明SLM27211 兼容可替代UCC27288
2023-04-04
数明SLM27211 兼容可替代NCV51511
2023-04-04
数明SLM27211 兼容可替代UCC27284
推荐产品
纳芯微NSi8242N0-DSPNR
应能微CM175N10GB
ME6228A33M3G
ME2188A36M3G
ME6213C33M5G
网站首页
|
关于我们
|
优势品牌
|
产品展示
|
行业应用
|
新闻中心
|
联系我们
|
技术资料