| 价 格 | ¥ |
| 起批量 | ≥1颗 |
| 产品品牌数明 |
| 封装形式WLCSP/QFN |
| 发货地址 |
| 更新日期2022-08-08 |
全国订购热线:13122500018
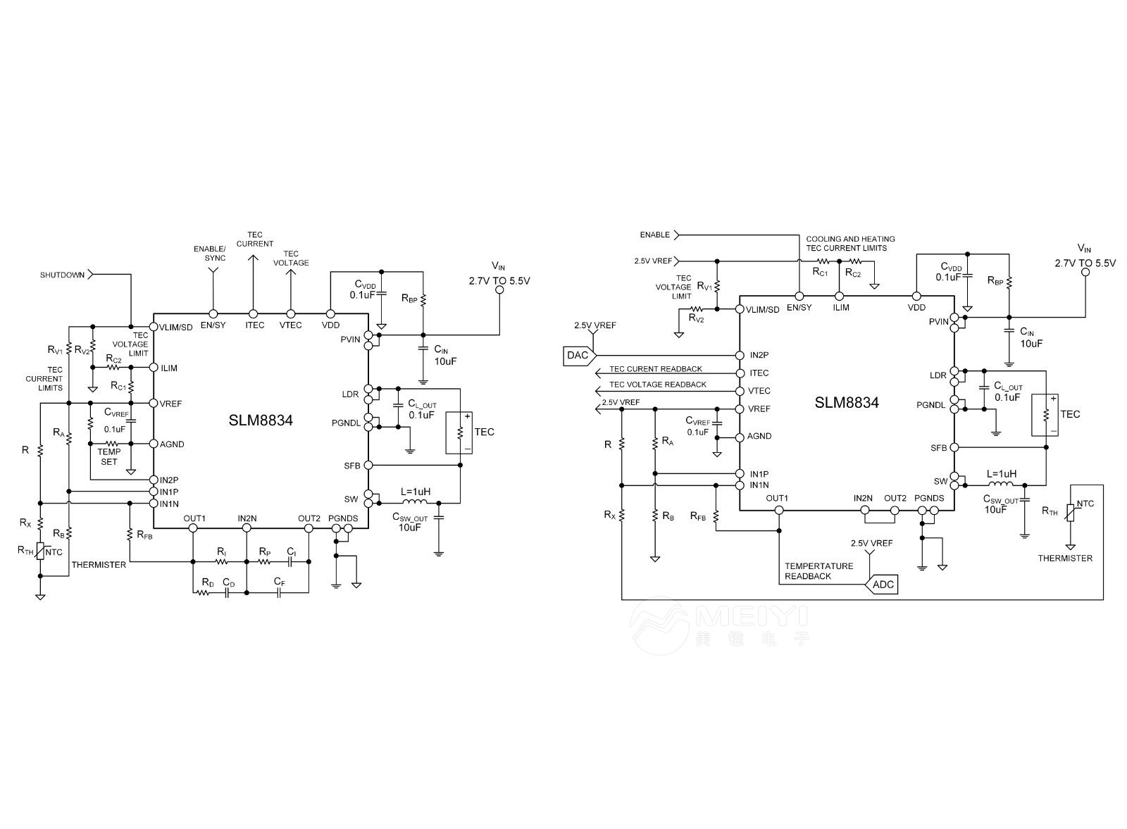
SLM8834 是一款集成 TEC 控制器的单片 TEC 控制器。它具有一个线性功率级、一个脉宽调制 (PWM) 功率级和两个零漂移、轨到轨运算放大器。线性控制器与 PWM 驱动器一起工作,以控制 H 桥配置中的内部功率 MOSFET。通过测量热传感器反馈电压和使用集成运算放大器作为比例积分微分 (PID) 补偿器来调节信号, SLM8834驱动电流通过TEC解决激光二极管或无源的温度连接到TEC模块的组件编程的目标温度。
SLM8834 支持负温度系数 (NTC) 热敏电阻以及正温度系数 (PTC) 电阻式温度检测器 (RTD)。目标温度设置为来自数模转换器 (DAC) 或外部电阻分压器的模拟电压输入。

上一篇:小金SLM8833 数明sillumin 超紧凑型 1.5 A 热电冷却器 (TEC) 控制器
下一篇:没有了
SLM8835
小金SLM8834EC 热电冷却器(TEC
小金SLM8833 数明sillumin 超