| 价 格 | ¥ |
| 起批量 | ≥1颗 |
| 产品品牌数明 |
| 封装形式WLCSP/QFN |
| 发货地址 |
| 更新日期2022-08-08 |
全国订购热线:13122500018
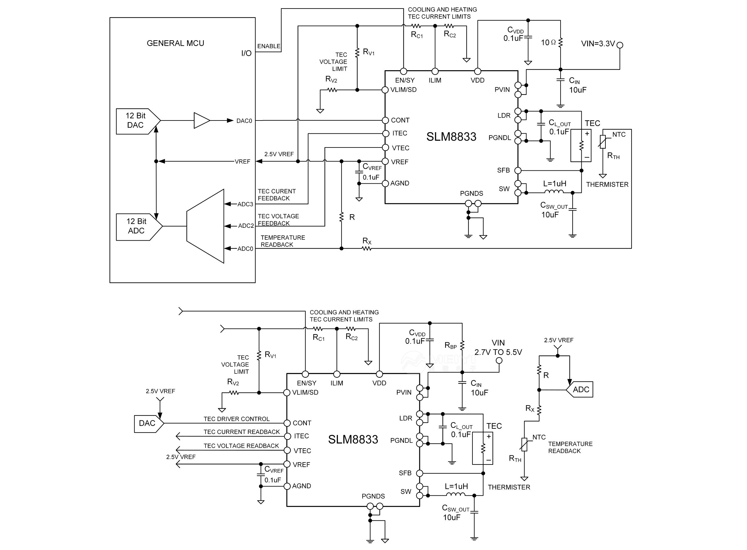
SLM8833 是一款单片 TEC 控制器,具有集成TEC控制器。它有一个线性功率级和一个脉宽调制 (PWM) 功率级。线性控制器与 PWM 驱动器一起工作,以控制 H 桥中的内部功率 MOSFET配置。取决于控制电压CONT 输入, SLM8833 驱动电流通过 TEC 来稳定激光器的温度二极管或连接到 TEC 的无源元件模块到编程的目标温度。施加到 CONT 输入引脚的控制电压为由数模转换器 (DAC) 生成关闭数字比例、积分、微分(PID) 温度控制系统回路。
内部 2.50 V 参考电压提供 1%用于偏置热敏电阻的准确输出温度传感桥以及电压分频器网络编程更大TEC电流和电压限制的加热和冷却模式。它也可以是一个参考电压DAC和温度传感电路,包括一个热敏电阻桥和一个模数转换器(ADC)。

上一篇:SLM8835
SLM8835
SLM8834EC 热电冷却器(TEC
SLM8833 数明sillumin 超