QQ在线咨询
咨询热线
021-5766 0583
手机号
180-1627-3695
阿里旺旺

点这里给我发消息

您好!欢迎访问美镒电子(上海)有限公司,我们竭诚为您服务!

电子元器件供应和技术服务商

BOM配单 国产替代 全新原装 品牌代理 上海发货

服务咨询热线:

13122500018

杰华特JW3370TSSOPF#TRPBF 4~10系列电池监控和保护IC

  咨询
起批量 ≥1颗
产品品牌杰华特
封装形式TSSOP38
发货地址上海市松江区
更新日期2023-04-04

全国订购热线:13122500018

产品详情
产品描述
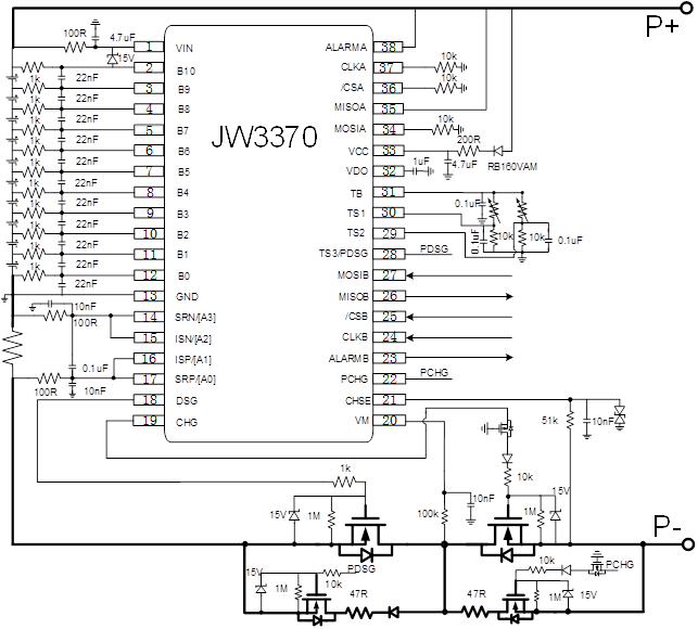
JW®3370 是一款多节电池组监控和保护 IC,包括一个用于电池电压和温度感应的 14 位 ADC,一个用于充电/放电电流感应的 16 位 ADC。



产品参数

3.3V LDO 输出供外部应用

TSSOP38封装



产品特点

监控10串电池并支持串联操作

提供过滤模式
电池过压/欠压保护

电池过温/欠温保护
断线连接检测
片上无源电池平衡开关
提供片外被动平衡



产品电路示意图




    标签:

上一篇:没有了

下一篇:没有了

采购:杰华特JW3370TSSOPF#TRPBF 4~10系列电池监控和保护IC
* 表示必填
  • 请填写采购的产品数量和产品描述,方便我们进行统一备货。