| 价 格 | ¥面议 |
| 起批量 | ≥1颗 |
| 产品品牌纳芯微 |
| 封装形式MSOP8 |
| 发货地址上海市松江区 |
| 更新日期2022-12-08 |
全国订购热线:13122500018
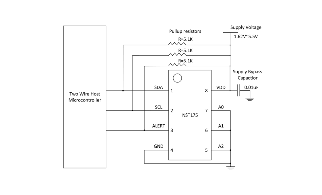
NST175是一款低功耗高精度数字温度传感器,是负温度系数(NTC)和正温度系数(PTC)热敏电阻的理想替代产品。该器件无需校准或外部组件信号调节即可提供典型值为±0.5℃的精度。NST175温度传感器为高度线性化产品,无需复杂计算或查表即可得知温度。片上12位模数转换器(ADC)提供低至 0.0625℃的分辨率。NST175兼容SMBus和I2C接口,允许一条总线上最多连接27个器件,支持SMBus报警功能。NST175额度工作范围为-55℃至125℃,是各种通信、计算机、消费类产品、物联网、环境、工业和仪器应用中扩展温度测量的理想选择。NST175 采用行业标准的MSOP8和SOP8封装。
产品特性
• 全温域内保持高精度:
- -20℃~ 85℃: ±0.5℃(典型值)
- -55℃~-20℃: ±2℃(更大值)
- 85℃~125℃: ±2℃(更大值)
• 更高分辨率0.0625℃,用户可选
• 支持27个器件地址
• 宽电源电压范围:1.62V至5.5V
• 工作电流: 30μA(典型值)
• 静态电流: 0.1μA (典型值)
• 数字接口: SMBus, I2C 兼容
应用场景
• 系统温度监测
• 计算机外设过热保护
• 笔记本电脑
功能框图
